如何在SEPIC轉換器中構建耦合電感模型
摘要
本文討論如何在單端初級電感轉換器(SEPIC)拓撲結構中構建耦合電感模型。文章介紹了構建正確模型的方法,并提供了公式。如果未正確構建耦合電感模型,仿真結果可能與基準結果存在顯著差異。
引言
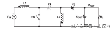
單端初級電感轉換器(SEPIC)拓撲結構允許輸入高于、等于或低于目標輸出電壓(圖1)。公式1顯示了連續導通模式(CCM)下轉換率與占空比的函數關系。
在SEPIC轉換器中,輸入和輸出之間不存在直流路徑。對于需要在電路關斷時將輸出與輸入源斷開的應用,這比升壓轉換器更具優勢。與反激式轉換器相比,SEPIC轉換器的優勢在于,功率MOSFET和輸出二極管電壓均被電容(C1和COUT)箝位,因此功率MOSFET和輸出二極管上的電壓振鈴較小。SEPIC轉換器所需的輸入電容比反激式轉換器要小得多。這是因為在SEPIC轉換器中,電感L1與輸入串聯,流過輸入的紋波電流是連續的。

圖1.SEPIC轉換器。
給定工作輸入電壓范圍,并選擇了電感中的工作頻率和紋波電流后,可使用公式2來確定SEPIC轉換器的電感值(L1和L2不相關)。

對于大多數SEPIC應用,電感值將在1 μH至100 μH的范圍內。
通過使L1 = L2,并將它們卷繞在同一磁芯上,由于公式3所示的互感,公式2中的電感值將被2L取代。

耦合電感
使用耦合電感可以減少所需的分立元件數量并顯著降低控制電路的復雜性,從而簡化SEPIC轉換器的設計。由此可以節省成本、縮小尺寸并顯著降低小信號模型的復雜性,通過消除公式4中計算的SEPIC諧振來實現更高的帶寬。

雖然耦合電感的性能更出色,但LTspice?中的仿真電感電流波形并不總是與基準結果匹配。這主要是由于耦合電感模型不準確造成的。
在LTspice中仿真耦合電感時,必須仔細留意耦合電感的模型。例如,在沒有添加相關泄漏電感的情況下,不要在仿真中將K設置為1。否則,仿真電感電流將變得不連續,如圖2所示。

圖2.LT3758 SEPIC (K = 1)及其仿真電流波形。
耦合電感建模
為了正確構建耦合電感模型,如果K設置為1,則必須明確添加泄漏電感。此外,由于卷繞結構不同,兩個勵磁電感也可能不同。圖3顯示了一個耦合電感模型,由于電感供應商通常不提供所需的值,因此需要進行基準測試才能獲得相應的數值。

圖3.耦合電感模型。
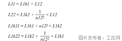
根據測量的數據計算這些參數,如公式5所示。

L11是次級開路時測得的初級自感,L22是初級開路時測得的次級自感,L1K11是次級短路時測得的初級電感,L1K22是初級短路時測得的次級電感。
在本示例中,測得的L11為46.66 μH,L22為45.78 μH,L1K11為0.725 μH,L1K22為0.709 μH。因此,計算得出n12為1.011,L12為46.374 μH,L1K1為0.286 μH,L1K2為0.429 μH。完整的耦合電感模型如圖4所示。

圖4.完整的耦合電感模型。
仿真結果與基準結果十分匹配。參見圖5。
在本示例中,測得的L11為46.66 μH,L22為45.78 μH,L1K11為0.725 μH。計算得出Lm為45.857 μH。計算得出K為0.992。
基于圖8模型的仿真結果也與該電感模型的基準結果非常匹配。

圖5.基準結果與仿真結果。
構建耦合電感模型的另一種方法是使用非單位耦合因子。在這種情況下,不需要明確指定泄漏電感,如圖6所示。

圖6.帶有非單位K的耦合電感模型。
為收集計算K所需的信息,對耦合電感進行了相同的基準測試。帶有雙端口參數的公式如圖7所示。
圖7.等效電路及其公式。
圖8.帶有非單位K的完整耦合電感模型。
結論
從LTspice仿真或基準測試中,有時會獲得并不理想的電感電流波形,令電源設計人員感到困惑。通過采用適當的耦合電感模型,仿真電感電流波形與基準結果非常匹配。
參考文獻
Robert W. Erickson和Dragan Maksimovi?,《Fundamentals of Power Electronics》第二版,Kluwer,2001年1月。
作者:Wei Gu,產品應用總監
作者簡介
Wei Gu是電源產品應用總監。他于2006年加入凌力爾特(現為ADI公司的一部分)。他獲得了浙江大學頒發的電氣工程學士學位,以及中佛羅里達大學頒發的電氣工程博士學位。
提交
5月南京“十五五”第二屆鋼鐵設備大會 共擘鋼鐵設備升級新局
3月11日-12日,OFweek 2026(第十屆)動力電池產業年會香港首秀!
行業聚焦:格力節能方案賦能某項目獲批460萬元“工裝國補”!
意法半導體發布首款集成AI加速器的汽車微控制器,賦能邊緣智能
意法半導體微型驅動器助力小型家電設計:封裝更小巧,布局更靈活

投訴建議